modulare Fehlerstromschutzgeräte DRP
- Typ A, 230 V, 400 V, 500 V
- überwachter Stromkreis max. 500 V (AC)
- Alarmmeldung über Relais


modulare Fehlerstromschutzgeräte DRP
- Typ A, 230 V, 400 V, 500 V
- überwachter Stromkreis max. 500 V (AC)
- Alarmmeldung über Relais
Produktdetails
modulares Fehlerstromschutzgerät Typ A, 500 V AC, 50 Hz ... 60 Hz
Beschreibung
- Ansprechdifferenzstromcharakteristik
- A
- Betriebsspannung
- 230 V, 400 V, 500 V
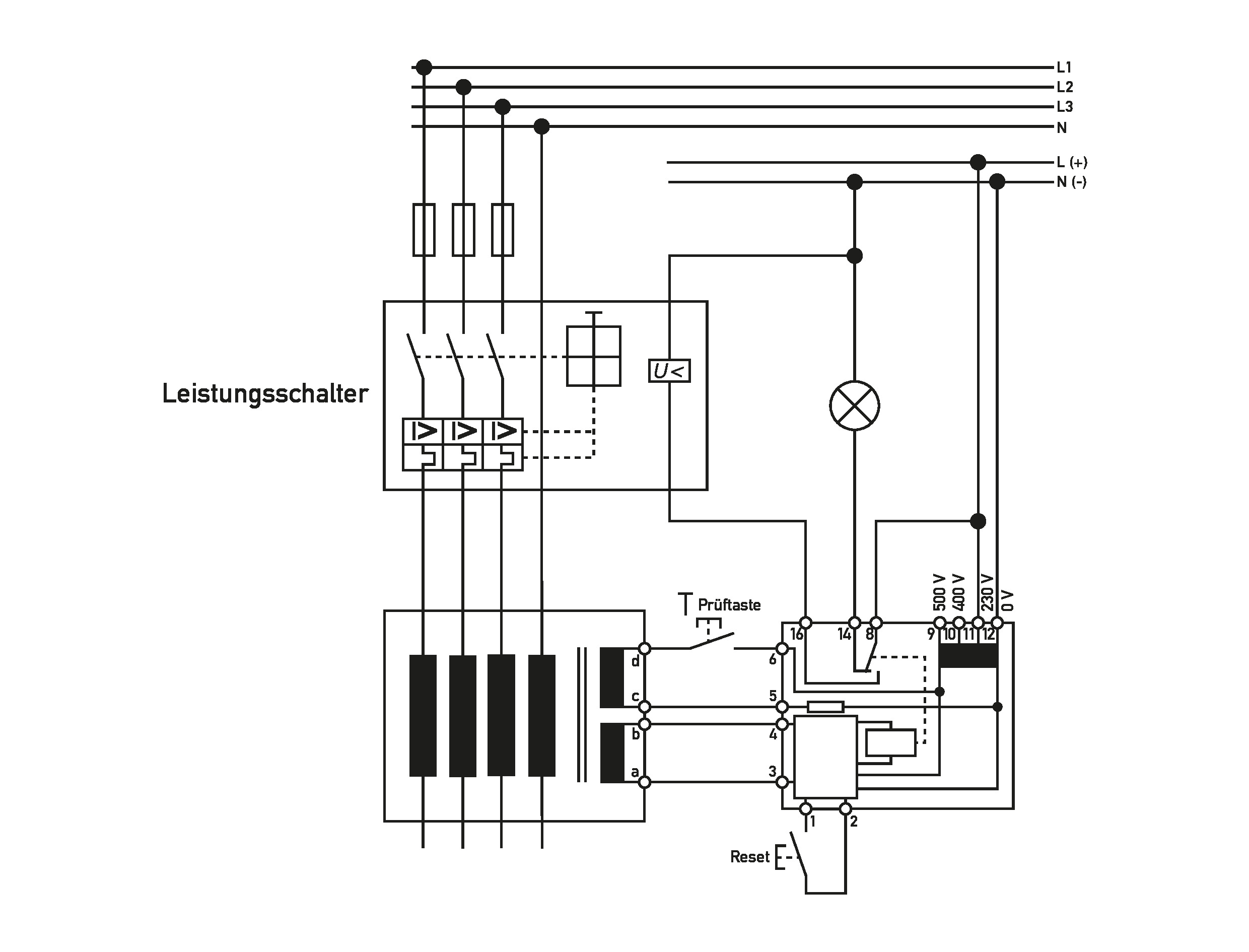
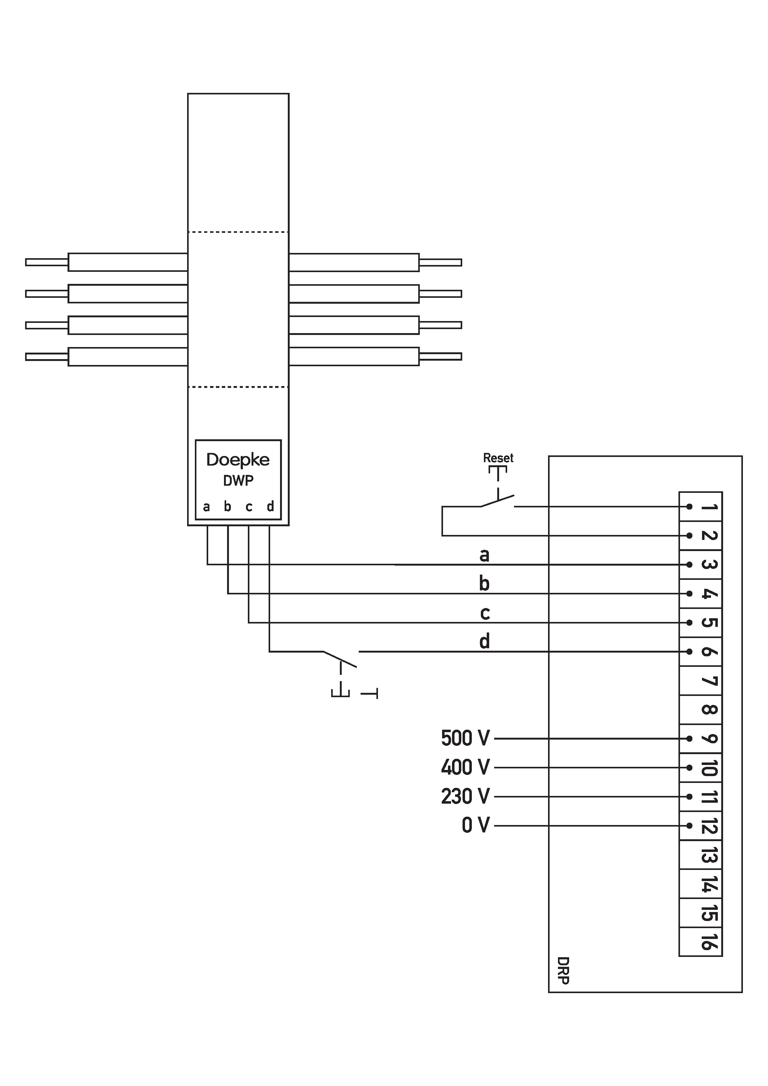
MRCD erfassen Fehlerströme und bewerten sie hinsichtlich Höhe und Dauer. Bei Überschreiten des Grenzwertes lösen sie über eine externe Abschaltvorrichtung eine Abschaltung des betroffenen Anlagenteils aus. Modulare Fehlerstromgeräte (MRCD) werden zum Schutz vor Fehlerströmen eingesetzt, wenn Fehlerstromschutzschalter aufgrund hoher Lastströme oder Netzspannungen nicht verwendet werden können. Modulare Fehlerstromschutzschalter der Baureihe DRP zeichnen sich durch eine hohe Schutzart und durch eine erhöhte Bemessungsspannung von bis zu 500 V AC aus. Sie können somit in rauen Umgebungen, wie z. B. dem Bergbau, eingesetzt werden. Sowohl der Fehleransprechstrom, als auch die Ansprechverzögerung sind am Gerät einstellbar. Zudem verfügen die Geräte über einen potenzialfreien Wechsler zur Ansteuerung der Abschaltvorrichtung. Modulare Schutzgeräte mit der Fehlerstromcharakteristik A erkennen sinusförmige Wechsel- und pulsierende Gleichfehlerströme. Geräte in Standardausführung sind für die Überwachung von Stromkreisen mit einer Bemessungsspannung von 230 V, 400 V oder 500 V und einer Bemessungsfrequenz von 50 Hz bis 60 Hz ausgelegt.
geeignet zur Erfassung von Differenzströmen der Typen A und AC sowie pulsierender Gleichfehlerströme, Anschluss für externe Differenzstromwandler der Baureihe DWP, Fehleransprechstrom in den fünf Stufen einstellbar, Ansprechzeit stufenlos einstellbar von 0 s bis 1 s (außer im 0,03-A-Bereich), Überwachung des Summenstromwandlers und seiner Anschlussleitung auf Unterbrechung, Test- und Resetfunktion durch externe Tastschalter, drei Steuer-/Hilfsspannungen wählbar (230 V - 400 V - 500 V), Wahlschalter und Potentiometer durch Gehäuseoberteil abgedeckt, geringe Baugröße, hoher Fremdkörper- und Feuchteschutz, potentialfreier Wechslerkontakt für Ansteuerung eines Trennschalters, hohe Immunität gegen Stoßfehlerströme
Schnellbefestigung auf Tragschiene, Einbaulage beliebig
Das Überwachungsgerät eignet sich für den Einsatz in Stromversorgungen von Zweckbauten und Industrieanlagen mit TN-S-, TN-C-S-Netzen und IT-Netzen, z. B. in Serverräumen von Rechenzentren, in Laboratorien, in der Automobilindustrie und in Zusammenhang mit Klimaanlagen, Druckereimaschinen und Verpackungsmaschinen, Ausgeschlossen ist der Einsatz in TN-C-Netzen und Gleichstromnetzen sowie die Überwachung von Anlagen, in denen elektronische Betriebsmittel glatte Gleichfehlerströme oder Fehlerströme mit Frequenzen ungleich der Bemessungsfrequenz des RCCB verursachen können.
modulares Fehlerstromschutzgerät Typ A, 500 V AC, 50 Hz ... 60 Hz
Spezifikationen
- Ansprechdifferenzstromcharakteristik
- A
- Betriebsspannung
- 230 V, 400 V, 500 V
MRCD erfassen Fehlerströme und bewerten sie hinsichtlich Höhe und Dauer. Bei Überschreiten des Grenzwertes lösen sie über eine externe Abschaltvorrichtung eine Abschaltung des betroffenen Anlagenteils aus. Modulare Fehlerstromgeräte (MRCD) werden zum Schutz vor Fehlerströmen eingesetzt, wenn Fehlerstromschutzschalter aufgrund hoher Lastströme oder Netzspannungen nicht verwendet werden können. Modulare Fehlerstromschutzschalter der Baureihe DRP zeichnen sich durch eine hohe Schutzart und durch eine erhöhte Bemessungsspannung von bis zu 500 V AC aus. Sie können somit in rauen Umgebungen, wie z. B. dem Bergbau, eingesetzt werden. Sowohl der Fehleransprechstrom, als auch die Ansprechverzögerung sind am Gerät einstellbar. Zudem verfügen die Geräte über einen potenzialfreien Wechsler zur Ansteuerung der Abschaltvorrichtung. Modulare Schutzgeräte mit der Fehlerstromcharakteristik A erkennen sinusförmige Wechsel- und pulsierende Gleichfehlerströme. Geräte in Standardausführung sind für die Überwachung von Stromkreisen mit einer Bemessungsspannung von 230 V, 400 V oder 500 V und einer Bemessungsfrequenz von 50 Hz bis 60 Hz ausgelegt.
geeignet zur Erfassung von Differenzströmen der Typen A und AC sowie pulsierender Gleichfehlerströme, Anschluss für externe Differenzstromwandler der Baureihe DWP, Fehleransprechstrom in den fünf Stufen einstellbar, Ansprechzeit stufenlos einstellbar von 0 s bis 1 s (außer im 0,03-A-Bereich), Überwachung des Summenstromwandlers und seiner Anschlussleitung auf Unterbrechung, Test- und Resetfunktion durch externe Tastschalter, drei Steuer-/Hilfsspannungen wählbar (230 V - 400 V - 500 V), Wahlschalter und Potentiometer durch Gehäuseoberteil abgedeckt, geringe Baugröße, hoher Fremdkörper- und Feuchteschutz, potentialfreier Wechslerkontakt für Ansteuerung eines Trennschalters, hohe Immunität gegen Stoßfehlerströme
Schnellbefestigung auf Tragschiene, Einbaulage beliebig
Das Überwachungsgerät eignet sich für den Einsatz in Stromversorgungen von Zweckbauten und Industrieanlagen mit TN-S-, TN-C-S-Netzen und IT-Netzen, z. B. in Serverräumen von Rechenzentren, in Laboratorien, in der Automobilindustrie und in Zusammenhang mit Klimaanlagen, Druckereimaschinen und Verpackungsmaschinen, Ausgeschlossen ist der Einsatz in TN-C-Netzen und Gleichstromnetzen sowie die Überwachung von Anlagen, in denen elektronische Betriebsmittel glatte Gleichfehlerströme oder Fehlerströme mit Frequenzen ungleich der Bemessungsfrequenz des RCCB verursachen können.
